Подшипник UCF207-23 (KOYO)

Подшипник UCF207-23 (KOYO)

Технические характеристики

Обозначение : UCF207-23

Производитель : KOYO

Диаметр внутренний, мм : 36,5125

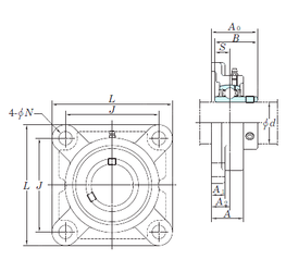
Технические данные из каталога производителя :

Внутренний диаметр (d) - 36,5125 мм.

Размер (A0) - 44,4

Размер (A) - 34 мм.

Размер (A1) - 15 мм.

Размер (B) - 42,9 мм.

Размер (J) - 92 мм.

Размер (L) - 117

Размер (N) - 14 мм.

Размер (S) - 17,5 мм.

Болт (G) - M12

Размер (A2) - 19

Масса - 1,5 Кг

Грузоподъемность динамическая (C) - 25,7 кН

Грузоподъемность статическая (C0) - 15,4 кН

Расчетный коэффициент (f0) - 13,9

Количество дорожек качения - 1

Уплотнение - Есть

Цены указаны ознакомительные, для уточнения цены и наличия просим связаться с нами по телефону, или отправить заявку на почту - sales@specprompodshipnik.ru или по тел.: +7(499) 369-70-54

Возврат к списку