Подшипник UCF205 (KOYO)

Подшипник UCF205 (KOYO)

Технические характеристики

Обозначение : UCF205

Производитель : KOYO

Диаметр внутренний, мм : 25

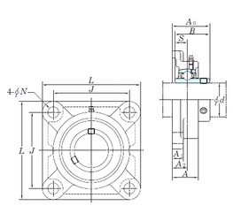
Технические данные из каталога производителя :

Внутренний диаметр (d) - 25 мм.

Размер (A0) - 35,8

Размер (A) - 27 мм.

Размер (A1) - 13 мм.

Размер (B) - 34,1 мм.

Размер (J) - 70 мм.

Размер (L) - 95

Размер (N) - 12 мм.

Размер (S) - 14,3 мм.

Болт (G) - M10

Размер (A2) - 16

Масса - 0,83 Кг

Грузоподъемность динамическая (C) - 14 кН

Грузоподъемность статическая (C0) - 7,85 кН

Расчетный коэффициент (f0) - 13,9

Количество дорожек качения - 1

Уплотнение - Есть

Цены указаны ознакомительные, для уточнения цены и наличия просим связаться с нами по телефону, или отправить заявку на почту - sales@specprompodshipnik.ru или по тел.: +7(499) 369-70-54

Возврат к списку