Подшипник UCF205 (CX)

Технические характеристики

Обозначение : UCF205

Производитель : CX

Диаметр внутренний, мм : 25

Высота, мм : 34,1

Технические данные из каталога производителя :

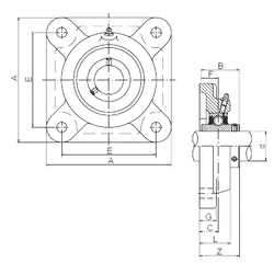
Внутренний диаметр (d) - 25 мм.

Размер (Z) - 35,8

Размер (A) - 95 мм.

Размер (B) - 34,1 мм.

Размер (C) - 16 мм.

Размер (E) - 70 мм.

Размер (F) - 14,3 мм.

Размер (G) - 14 мм.

Размер (L) - 27

Размер (S) - 12 мм.

Болт (G) - M10

Масса - 0,8 Кг

Количество дорожек качения - 1

Уплотнение - Есть

Цены указаны ознакомительные, для уточнения цены и наличия просим связаться с нами по телефону, или отправить заявку на почту - sales@specprompodshipnik.ru или по тел.: +7(499) 369-70-54

Возврат к списку