Подшипник UCF201 (NACHI)

Подшипник UCF201 (NACHI)

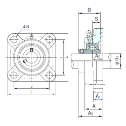
Технические характеристики

Обозначение : UCF201

Производитель : NACHI

Диаметр внутренний, мм : 12

Технические данные из каталога производителя :

Внутренний диаметр (d1) - 12

Размер (A0) - 33.3

Размер (A) - 25.5 мм.

Размер (A1) - 12 мм.

Размер (B) - 31 мм.

Размер (J) - 64 мм.

Размер (L) - 86

Размер (N) - 12 мм.

Размер (S) - 12.7 мм.

Болт (G) - M10

Размер (A2) - 15

Масса - 0.64 Кг

Количество дорожек качения - 1

Уплотнение - Есть

Цены указаны ознакомительные, для уточнения цены и наличия просим связаться с нами по телефону, или отправить заявку на почту - sales@specprompodshipnik.ru или по тел.: +7(499) 369-70-54

Возврат к списку