Подшипник UCEHE201 (SNR)

Подшипник UCEHE201 (SNR)

Технические характеристики

Обозначение : UCEHE201

Производитель : SNR

Диаметр внутренний, мм : 12

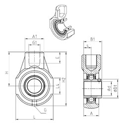
Технические данные из каталога производителя :

Внутренний диаметр (d) - 12 мм.

Размер (L4) - 38

Размер (s) - 12,7 мм.

Размер (A) - 25 мм.

Размер (A1) - 30 мм.

Размер (B1) - 31 мм.

Размер (D1) - 29 мм.

Размер (E) - 21 мм.

Размер (G1) - M16 мм.

Размер (H) - 58 мм.

Размер (H2) - 91 мм.

Размер (L) - 65

Резьба (G) - R1/8"

Масса - 0,8 Кг

Грузоподъемность динамическая (C) - 12,8 кН

Грузоподъемность статическая (C0) - 6,65 кН

Количество дорожек качения - 1

Уплотнение - Есть

Цены указаны ознакомительные, для уточнения цены и наличия просим связаться с нами по телефону, или отправить заявку на почту - sales@specprompodshipnik.ru или по тел.: +7(499) 369-70-54

Возврат к списку