Подшипник UCECH211 (NACHI)

Подшипник UCECH211 (NACHI)

Технические характеристики

Обозначение : UCECH211

Производитель : NACHI

Диаметр внутренний, мм : 55

Высота, мм : 55.6

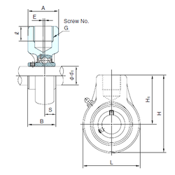
Технические данные из каталога производителя :

Внутренний диаметр (d) - 55 мм.

Размер (A) - 60 мм.

Размер (B) - 55.6 мм.

Размер (E) - 6 мм.

Размер (H) - 160 мм.

Размер (H1) - 97 мм.

Размер (L) - 126

Размер (S) - 22.2 мм.

Размер (?) - 28 Допуск h14

Резьба (G) - PF1¼

Масса - 2.3 Кг

Количество дорожек качения - 1

Уплотнение - Есть

Цены указаны ознакомительные, для уточнения цены и наличия просим связаться с нами по телефону, или отправить заявку на почту - sales@specprompodshipnik.ru или по тел.: +7(499) 369-70-54

Возврат к списку