Подшипник UCECH208 (NACHI)

Подшипник UCECH208 (NACHI)

Технические характеристики

Обозначение : UCECH208

Производитель : NACHI

Диаметр внутренний, мм : 40

Высота, мм : 49.2

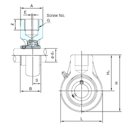
Технические данные из каталога производителя :

Внутренний диаметр (d) - 40 мм.

Размер (A) - 40 мм.

Размер (B) - 49.2 мм.

Размер (E) - 2 мм.

Размер (H) - 121 мм.

Размер (H1) - 73 мм.

Размер (L) - 96

Размер (S) - 19 мм.

Размер (?) - 19 Допуск h14

Резьба (G) - PF3/4

Масса - 1.4 Кг

Количество дорожек качения - 1

Уплотнение - Есть

Цены указаны ознакомительные, для уточнения цены и наличия просим связаться с нами по телефону, или отправить заявку на почту - sales@specprompodshipnik.ru или по тел.: +7(499) 369-70-54

Возврат к списку