Подшипник UCECH207 (NACHI)

Подшипник UCECH207 (NACHI)

Технические характеристики

Обозначение : UCECH207

Производитель : NACHI

Диаметр внутренний, мм : 35

Высота, мм : 42.9

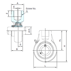
Технические данные из каталога производителя :

Внутренний диаметр (d) - 35 мм.

Размер (A) - 40 мм.

Размер (B) - 42.9 мм.

Размер (E) - 0 мм.

Размер (H) - 116 мм.

Размер (H1) - 70 мм.

Размер (L) - 92

Размер (S) - 17.5 мм.

Размер (?) - 19 Допуск h14

Резьба (G) - PF3/4

Масса - 1.2 Кг

Количество дорожек качения - 1

Уплотнение - Есть

Цены указаны ознакомительные, для уточнения цены и наличия просим связаться с нами по телефону, или отправить заявку на почту - sales@specprompodshipnik.ru или по тел.: +7(499) 369-70-54

Возврат к списку