Подшипник UCECH206 (NACHI)

Подшипник UCECH206 (NACHI)

Технические характеристики

Обозначение : UCECH206

Производитель : NACHI

Диаметр внутренний, мм : 30

Высота, мм : 38.1

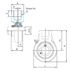
Технические данные из каталога производителя :

Внутренний диаметр (d) - 30 мм.

Размер (A) - 40 мм.

Размер (B) - 38.1 мм.

Размер (E) - 0 мм.

Размер (H) - 104 мм.

Размер (H1) - 64 мм.

Размер (L) - 80

Размер (S) - 15.9 мм.

Размер (?) - 19 Допуск h14

Резьба (G) - PF3/4

Масса - 0.91 Кг

Количество дорожек качения - 1

Уплотнение - Есть

Цены указаны ознакомительные, для уточнения цены и наличия просим связаться с нами по телефону, или отправить заявку на почту - sales@specprompodshipnik.ru или по тел.: +7(499) 369-70-54

Возврат к списку