Подшипник UCECH203 (NACHI)

Подшипник UCECH203 (NACHI)

Технические характеристики

Обозначение : UCECH203

Производитель : NACHI

Диаметр внутренний, мм : 17

Высота, мм : 31

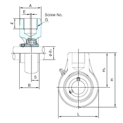
Технические данные из каталога производителя :

Внутренний диаметр (d) - 17 мм.

Размер (A) - 40 мм.

Размер (B) - 31 мм.

Размер (E) - 0 мм.

Размер (H) - 96 мм.

Размер (H1) - 64 мм.

Размер (L) - 64

Размер (S) - 12.7 мм.

Размер (?) - 19 Допуск h14

Резьба (G) - PF3/4

Масса - 0.82 Кг

Количество дорожек качения - 1

Уплотнение - Есть

Цены указаны ознакомительные, для уточнения цены и наличия просим связаться с нами по телефону, или отправить заявку на почту - sales@specprompodshipnik.ru или по тел.: +7(499) 369-70-54

Возврат к списку