Подшипник UCCX12 (KOYO)

Подшипник UCCX12 (KOYO)

Технические характеристики

Обозначение : UCCX12

Производитель : KOYO

Диаметр внутренний, мм : 60

Высота, мм : 65,1

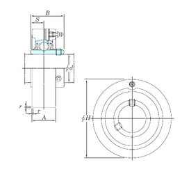
Технические данные из каталога производителя :

Внутренний диаметр (d) - 60 мм.

Размер (r) - 2,5 мм.

Размер (A) - 44 мм.

Размер (B) - 65,1 мм.

Размер (H) - 160 мм.

Размер (S) - 25,4 мм.

Масса - 4,6 Кг

Грузоподъемность динамическая (C) - 57,2 кН

Грузоподъемность статическая (C0) - 40,1 кН

Расчетный коэффициент (f0) - 14,4

Количество дорожек качения - 1

Уплотнение - Есть

Цены указаны ознакомительные, для уточнения цены и наличия просим связаться с нами по телефону, или отправить заявку на почту - sales@specprompodshipnik.ru или по тел.: +7(499) 369-70-54

Возврат к списку