Подшипник UCCX06-20 (KOYO)

Подшипник UCCX06-20 (KOYO)

Технические характеристики

Обозначение : UCCX06-20

Производитель : KOYO

Диаметр внутренний, мм : 31.75

Высота, мм : 42,9

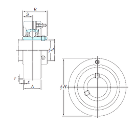
Технические данные из каталога производителя :

Внутренний диаметр (d) - 31.75 мм.

Размер (r) - 2 мм.

Размер (A) - 30 мм.

Размер (B) - 42,9 мм.

Размер (H) - 100 мм.

Размер (S) - 17,5 мм.

Масса - 1,3 Кг

Грузоподъемность динамическая (C) - 25,7 кН

Грузоподъемность статическая (C0) - 15,4 кН

Расчетный коэффициент (f0) - 13,9

Количество дорожек качения - 1

Уплотнение - Есть

Цены указаны ознакомительные, для уточнения цены и наличия просим связаться с нами по телефону, или отправить заявку на почту - sales@specprompodshipnik.ru или по тел.: +7(499) 369-70-54

Возврат к списку