Подшипник UCC320-63 (KOYO)

Подшипник UCC320-63 (KOYO)

Технические характеристики

Обозначение : UCC320-63

Производитель : KOYO

Диаметр внутренний, мм : 100,0125

Высота, мм : 108

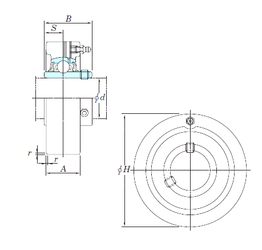
Технические данные из каталога производителя :

Внутренний диаметр (d) - 100,0125 мм.

Размер (r) - 4 мм.

Размер (A) - 75 мм.

Размер (B) - 108 мм.

Размер (H) - 260 мм.

Размер (S) - 42 мм.

Масса - 19,6 Кг

Грузоподъемность динамическая (C) - 173 кН

Грузоподъемность статическая (C0) - 141 кН

Расчетный коэффициент (f0) - 13,2

Количество дорожек качения - 1

Уплотнение - Есть

Цены указаны ознакомительные, для уточнения цены и наличия просим связаться с нами по телефону, или отправить заявку на почту - sales@specprompodshipnik.ru или по тел.: +7(499) 369-70-54

Возврат к списку