Подшипник UCC315-47 (KOYO)

Подшипник UCC315-47 (KOYO)

Технические характеристики

Обозначение : UCC315-47

Производитель : KOYO

Диаметр внутренний, мм : 74,6125

Высота, мм : 82

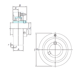
Технические данные из каталога производителя :

Внутренний диаметр (d) - 74,6125 мм.

Размер (r) - 4 мм.

Размер (A) - 55 мм.

Размер (B) - 82 мм.

Размер (H) - 190 мм.

Размер (S) - 32 мм.

Масса - 7,8 Кг

Грузоподъемность динамическая (C) - 113 кН

Грузоподъемность статическая (C0) - 77,2 кН

Расчетный коэффициент (f0) - 13,2

Количество дорожек качения - 1

Уплотнение - Есть

Цены указаны ознакомительные, для уточнения цены и наличия просим связаться с нами по телефону, или отправить заявку на почту - sales@specprompodshipnik.ru или по тел.: +7(499) 369-70-54

Возврат к списку