Подшипник UCC314-44 (KOYO)

Подшипник UCC314-44 (KOYO)

Технические характеристики

Обозначение : UCC314-44

Производитель : KOYO

Диаметр внутренний, мм : 69,85

Высота, мм : 78

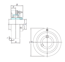
Технические данные из каталога производителя :

Внутренний диаметр (d) - 69,85 мм.

Размер (r) - 3 мм.

Размер (A) - 52 мм.

Размер (B) - 78 мм.

Размер (H) - 180 мм.

Размер (S) - 33 мм.

Масса - 6,7 Кг

Грузоподъемность динамическая (C) - 104 кН

Грузоподъемность статическая (C0) - 68,2 кН

Расчетный коэффициент (f0) - 13,2

Количество дорожек качения - 1

Уплотнение - Есть

Цены указаны ознакомительные, для уточнения цены и наличия просим связаться с нами по телефону, или отправить заявку на почту - sales@specprompodshipnik.ru или по тел.: +7(499) 369-70-54

Возврат к списку