Подшипник UCC309-28 (KOYO)

Подшипник UCC309-28 (KOYO)

Технические характеристики

Обозначение : UCC309-28

Производитель : KOYO

Диаметр внутренний, мм : 44,45

Высота, мм : 57

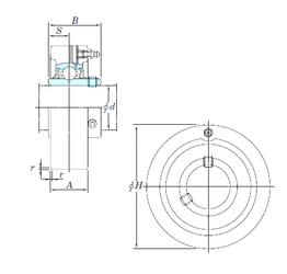
Технические данные из каталога производителя :

Внутренний диаметр (d) - 44,45 мм.

Размер (r) - 3 мм.

Размер (A) - 38 мм.

Размер (B) - 57 мм.

Размер (H) - 130 мм.

Размер (S) - 22 мм.

Масса - 2,8 Кг

Грузоподъемность динамическая (C) - 48,9 кН

Грузоподъемность статическая (C0) - 29,5 кН

Расчетный коэффициент (f0) - 13,3

Количество дорожек качения - 1

Уплотнение - Есть

Цены указаны ознакомительные, для уточнения цены и наличия просим связаться с нами по телефону, или отправить заявку на почту - sales@specprompodshipnik.ru или по тел.: +7(499) 369-70-54

Возврат к списку