Подшипник UCC207-21 (KOYO)

Подшипник UCC207-21 (KOYO)

Технические характеристики

Обозначение : UCC207-21

Производитель : KOYO

Диаметр внутренний, мм : 33,3375

Высота, мм : 42,9

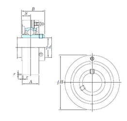
Технические данные из каталога производителя :

Внутренний диаметр (d) - 33,3375 мм.

Размер (r) - 2 мм.

Размер (A) - 28 мм.

Размер (B) - 42,9 мм.

Размер (H) - 90 мм.

Размер (S) - 17,5 мм.

Масса - 0,93 Кг

Грузоподъемность динамическая (C) - 25,7 кН

Грузоподъемность статическая (C0) - 15,4 кН

Расчетный коэффициент (f0) - 13,9

Количество дорожек качения - 1

Уплотнение - Есть

Цены указаны ознакомительные, для уточнения цены и наличия просим связаться с нами по телефону, или отправить заявку на почту - sales@specprompodshipnik.ru или по тел.: +7(499) 369-70-54

Возврат к списку