Подшипник UCC205-15 (KOYO)

Подшипник UCC205-15 (KOYO)

Технические характеристики

Обозначение : UCC205-15

Производитель : KOYO

Диаметр внутренний, мм : 23,8125

Высота, мм : 34,1

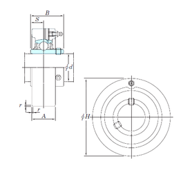
Технические данные из каталога производителя :

Внутренний диаметр (d) - 23,8125 мм.

Размер (r) - 1,5 мм.

Размер (A) - 22 мм.

Размер (B) - 34,1 мм.

Размер (H) - 80 мм.

Размер (S) - 14,3 мм.

Масса - 0,64 Кг

Грузоподъемность динамическая (C) - 14 кН

Грузоподъемность статическая (C0) - 7,85 кН

Расчетный коэффициент (f0) - 13,9

Количество дорожек качения - 1

Уплотнение - Есть

Цены указаны ознакомительные, для уточнения цены и наличия просим связаться с нами по телефону, или отправить заявку на почту - sales@specprompodshipnik.ru или по тел.: +7(499) 369-70-54

Возврат к списку