Подшипник UCC201-8 (KOYO)

Подшипник UCC201-8 (KOYO)

Технические характеристики

Обозначение : UCC201-8

Производитель : KOYO

Диаметр внутренний, мм : 12,7

Высота, мм : 31

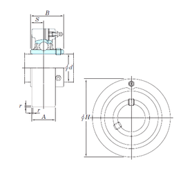
Технические данные из каталога производителя :

Внутренний диаметр (d) - 12,7 мм.

Размер (r) - 1,5 мм.

Размер (A) - 20 мм.

Размер (B) - 31 мм.

Размер (H) - 72 мм.

Размер (S) - 12,7 мм.

Масса - 0,52 Кг

Грузоподъемность динамическая (C) - 12,8 кН

Грузоподъемность статическая (C0) - 6,65 кН

Расчетный коэффициент (f0) - 13,2

Количество дорожек качения - 1

Уплотнение - Есть

Цены указаны ознакомительные, для уточнения цены и наличия просим связаться с нами по телефону, или отправить заявку на почту - sales@specprompodshipnik.ru или по тел.: +7(499) 369-70-54

Возврат к списку