Подшипник TTUE55 (INA)

Подшипник TTUE55 (INA)

Технические характеристики

Обозначение : TTUE55

Производитель : INA

Диаметр внутренний, мм : 55

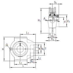
Технические данные из каталога производителя :

Внутренний диаметр (d) - 55 мм.

Размер (S1) - 43,6

Резьба (Q) - Rp1/8

Размер (L2) - 17

Размер (L3) - 95

Размер (d3) - 76 мм.

Размер (A) - 60 мм.

Размер (A1) - 22 мм.

Размер (B1) - 71,4 мм.

Размер (H) - 145 мм.

Размер (H1) - 130 мм.

Размер (L) - 169

Размер (L1) - 104 мм.

Размер (N) - 35 мм.

Размер (N1) - 26 мм.

Размер (T) - 102

Размер (A2) - 42

Размер (N2) - 63,5

Масса - 4,72 Кг

Грузоподъемность динамическая (C) - 43,5 кН

Грузоподъемность статическая (C0) - 29 кН

Количество дорожек качения - 1

Уплотнение - Есть

Цены указаны ознакомительные, для уточнения цены и наличия просим связаться с нами по телефону, или отправить заявку на почту - sales@specprompodshipnik.ru или по тел.: +7(499) 369-70-54

Возврат к списку