Подшипник TSHE35-N (INA)

Подшипник TSHE35-N (INA)

Технические характеристики

Обозначение : TSHE35-N

Производитель : INA

Диаметр внутренний, мм : 35

Технические данные из каталога производителя :

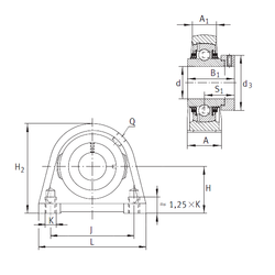
Внутренний диаметр (d) - 35 мм.

Резьба (Q) - Rp1/8

Резьба (K) - М10

Размер (d3) - 51 мм.

Размер (A) - 45 мм.

Размер (A1) - 27 мм.

Размер (B1) - 51,3 мм.

Размер (H) - 47,6 мм.

Размер (H2) - 93 мм.

Размер (J) - 82,6 мм.

Размер (L) - 103

Размер (S) - 32,5 мм.

Масса - 1,34 Кг

Грузоподъемность динамическая (C) - 25,5 кН

Грузоподъемность статическая (C0) - 15,3 кН

Количество дорожек качения - 1

Уплотнение - Есть

Цены указаны ознакомительные, для уточнения цены и наличия просим связаться с нами по телефону, или отправить заявку на почту - sales@specprompodshipnik.ru или по тел.: +7(499) 369-70-54

Возврат к списку