Подшипник TME55 (INA)

Технические характеристики

Обозначение : TME55

Производитель : INA

Диаметр внутренний, мм : 55

Технические данные из каталога производителя :

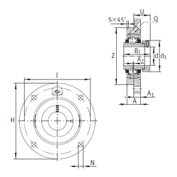
Внутренний диаметр (d) - 55 мм.

Размер (U) - 43,6

Резьба (Q) - М6

Размер (Z) - 125

Размер (d3) - 76 мм.

Размер (A) - 27,5 мм.

Размер (A1) - 15 мм.

Размер (B1) - 71,4 мм.

Размер (H) - 185 мм.

Размер (J) - 150 мм.

Размер (N) - 18 мм.

Размер (S) - 3 мм.

Масса - 3,38 Кг

Грузоподъемность динамическая (C) - 43,5 кН

Грузоподъемность статическая (C0) - 29 кН

Количество дорожек качения - 1

Уплотнение - Есть

Цены указаны ознакомительные, для уточнения цены и наличия просим связаться с нами по телефону, или отправить заявку на почту - sales@specprompodshipnik.ru или по тел.: +7(499) 369-70-54

Возврат к списку