Подшипник TME20-N (INA)

Подшипник TME20-N (INA)

Технические характеристики

Обозначение : TME20-N

Производитель : INA

Диаметр внутренний, мм : 20

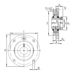
Технические данные из каталога производителя :

Внутренний диаметр (d) - 20 мм.

Размер (U) - 24,6

Резьба (Q) - М6

Размер (Z) - 62

Размер (d3) - 33 мм.

Размер (A) - 17 мм.

Размер (A1) - 8 мм.

Размер (B1) - 43,7 мм.

Размер (H) - 100 мм.

Размер (J) - 78 мм.

Размер (N) - 9 мм.

Размер (S) - 2 мм.

Размер (A2) - 2

Масса - 0,56 Кг

Грузоподъемность динамическая (C) - 12,8 кН

Грузоподъемность статическая (C0) - 6,6 кН

Количество дорожек качения - 1

Уплотнение - Есть

Цены указаны ознакомительные, для уточнения цены и наличия просим связаться с нами по телефону, или отправить заявку на почту - sales@specprompodshipnik.ru или по тел.: +7(499) 369-70-54

Возврат к списку