Подшипник TCJT75 (INA)

Подшипник TCJT75 (INA)

Технические характеристики

Обозначение : TCJT75

Производитель : INA

Диаметр внутренний, мм : 75

Технические данные из каталога производителя :

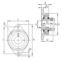
Внутренний диаметр (d) - 75 мм.

Размер (V) - 160

Размер (U) - 83,6

Резьба (Q) - Rp1/8

Размер (d3) - 100 мм.

Размер (A) - 57 мм.

Размер (A1) - 18 мм.

Размер (B1) - 67 мм.

Размер (H) - 258 мм.

Размер (J) - 216 мм.

Размер (L) - 160

Размер (N) - 21 мм.

Размер (A2) - 38

Масса - 6 Кг

Грузоподъемность динамическая (C) - 62 кН

Грузоподъемность статическая (C0) - 44,5 кН

Количество дорожек качения - 1

Уплотнение - Есть

Цены указаны ознакомительные, для уточнения цены и наличия просим связаться с нами по телефону, или отправить заявку на почту - sales@specprompodshipnik.ru или по тел.: +7(499) 369-70-54

Возврат к списку