Подшипник TCJT50-N (INA)

Подшипник TCJT50-N (INA)

Технические характеристики

Обозначение : TCJT50-N

Производитель : INA

Диаметр внутренний, мм : 50

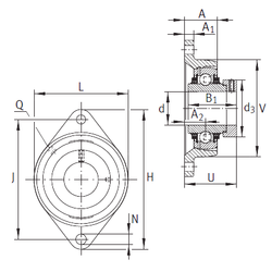
Технические данные из каталога производителя :

Внутренний диаметр (d) - 50 мм.

Размер (V) - 116

Размер (U) - 66,2

Резьба (Q) - Rp1/8

Размер (d3) - 69 мм.

Размер (A) - 39 мм.

Размер (A1) - 13 мм.

Размер (B1) - 62,8 мм.

Размер (H) - 190 мм.

Размер (J) - 157 мм.

Размер (L) - 116

Размер (N) - 18 мм.

Размер (A2) - 28

Масса - 2,19 Кг

Грузоподъемность динамическая (C) - 35 кН

Грузоподъемность статическая (C0) - 23,2 кН

Количество дорожек качения - 1

Уплотнение - Есть

Цены указаны ознакомительные, для уточнения цены и наличия просим связаться с нами по телефону, или отправить заявку на почту - sales@specprompodshipnik.ru или по тел.: +7(499) 369-70-54

Возврат к списку