Подшипник TCJ55 (INA)

Технические характеристики

Обозначение : TCJ55

Производитель : INA

Диаметр внутренний, мм : 55

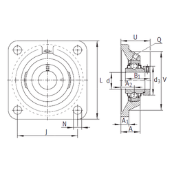
Технические данные из каталога производителя :

Внутренний диаметр (d) - 55 мм.

Размер (V) - 140

Размер (U) - 74,6

Резьба (Q) - Rp1/8

Размер (d3) - 76 мм.

Размер (A) - 43,5 мм.

Размер (A1) - 15 мм.

Размер (B1) - 71,4 мм.

Размер (J) - 130 мм.

Размер (L) - 162

Размер (N) - 18 мм.

Размер (A2) - 31

Масса - 3,57 Кг

Грузоподъемность динамическая (C) - 43,5 кН

Грузоподъемность статическая (C0) - 29 кН

Количество дорожек качения - 1

Уплотнение - Есть

Цены указаны ознакомительные, для уточнения цены и наличия просим связаться с нами по телефону, или отправить заявку на почту - sales@specprompodshipnik.ru или по тел.: +7(499) 369-70-54

Возврат к списку