Подшипник TASE80 (INA)

Подшипник TASE80 (INA)

Технические характеристики

Обозначение : TASE80

Производитель : INA

Диаметр внутренний, мм : 80

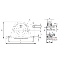
Технические данные из каталога производителя :

Внутренний диаметр (d) - 80 мм.

Размер (S1) - 47,6

Резьба (Q) - Rp1/8

Размер (d3) - 108 мм.

Размер (A) - 78 мм.

Размер (A1) - 55 мм.

Размер (B1) - 71 мм.

Размер (H) - 89 мм.

Размер (H1) - 30 мм.

Размер (H2) - 175 мм.

Размер (J) - 232 мм.

Размер (L) - 290

Размер (N) - 26 мм.

Размер (N1) - 34 мм.

Масса - 8,49 Кг

Грузоподъемность динамическая (C) - 72 кН

Грузоподъемность статическая (C0) - 54 кН

Количество дорожек качения - 1

Уплотнение - Есть

Цены указаны ознакомительные, для уточнения цены и наличия просим связаться с нами по телефону, или отправить заявку на почту - sales@specprompodshipnik.ru или по тел.: +7(499) 369-70-54

Возврат к списку