Подшипник TASE75 (INA)

Подшипник TASE75 (INA)

Технические характеристики

Обозначение : TASE75

Производитель : INA

Диаметр внутренний, мм : 75

Технические данные из каталога производителя :

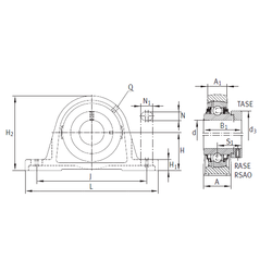
Внутренний диаметр (d) - 75 мм.

Размер (S1) - 45,6

Резьба (Q) - Rp1/8

Размер (d3) - 100 мм.

Размер (A) - 66 мм.

Размер (A1) - 48 мм.

Размер (B1) - 67 мм.

Размер (H) - 82,5 мм.

Размер (H1) - 27,5 мм.

Размер (H2) - 164 мм.

Размер (J) - 210 мм.

Размер (L) - 265

Размер (N) - 22 мм.

Размер (N1) - 30 мм.

Масса - 7,65 Кг

Грузоподъемность динамическая (C) - 62 кН

Грузоподъемность статическая (C0) - 44,5 кН

Количество дорожек качения - 1

Уплотнение - Есть

Цены указаны ознакомительные, для уточнения цены и наличия просим связаться с нами по телефону, или отправить заявку на почту - sales@specprompodshipnik.ru или по тел.: +7(499) 369-70-54

Возврат к списку