Подшипник TASE65-2143) (INA)

Подшипник TASE65-2143) (INA)

Технические характеристики

Обозначение : TASE65-2143)

Производитель : INA

Диаметр внутренний, мм : 65

Технические данные из каталога производителя :

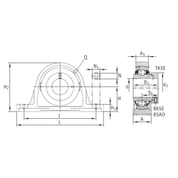
Внутренний диаметр (d) - 65 мм.

Размер (S1) - 44,6

Резьба (Q) - Rp1/8

Размер (d3) - 96 мм.

Размер (A) - 65 мм.

Размер (A1) - 44 мм.

Размер (B1) - 66 мм.

Размер (H) - 79,4 мм.

Размер (H1) - 27,5 мм.

Размер (H2) - 156 мм.

Размер (J) - 203 мм.

Размер (L) - 260

Размер (N) - 22 мм.

Размер (N1) - 28 мм.

Масса - 6,41 Кг

Грузоподъемность динамическая (C) - 62 кН

Грузоподъемность статическая (C0) - 44 кН

Количество дорожек качения - 1

Уплотнение - Есть

Цены указаны ознакомительные, для уточнения цены и наличия просим связаться с нами по телефону, или отправить заявку на почту - sales@specprompodshipnik.ru или по тел.: +7(499) 369-70-54

Возврат к списку