Подшипник SYM 3. TF (SKF)

Подшипник SYM 3. TF (SKF)

Технические характеристики

Обозначение : SYM 3. TF

Производитель : SKF

Диаметр внутренний, мм : 76,2

Технические данные из каталога производителя :

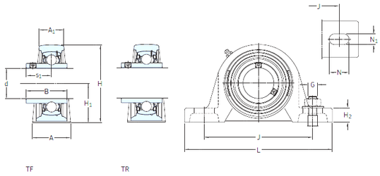
Внутренний диаметр (d) - 76,2 мм.

Размер (s1) - 47,7 мм.

Размер (A) - 78 мм.

Размер (A1) - 52 мм.

Размер (B) - 77,9 мм.

Размер (G) - 20 мм.

Размер (H) - 177 мм.

Размер (H1) - 88,9 мм.

Размер (H2) - 47,6 мм.

Размер (J) - 228,6 мм.

Размер (L) - 305

Размер (N) - 35 мм.

Размер (N1) - 22,2 мм.

Масса - 10,2 Кг

Грузоподъемность динамическая (C) - 72,8 кН

Грузоподъемность статическая (C0) - 53 кН

Граничная нагрузка по усталости (Pu) - 2,16

Частота вращения предельная - 2 400 об/мин

Количество дорожек качения - 1

Уплотнение - Есть

Цены указаны ознакомительные, для уточнения цены и наличия просим связаться с нами по телефону, или отправить заявку на почту - sales@specprompodshipnik.ru или по тел.: +7(499) 369-70-54

Возврат к списку