Подшипник SYM 1.3/4 TF (SKF)

Подшипник SYM 1.3/4 TF (SKF)

Технические характеристики

Обозначение : SYM 1.3/4 TF

Производитель : SKF

Диаметр внутренний, мм : 44,45

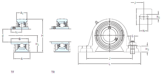
Технические данные из каталога производителя :

Внутренний диаметр (d) - 44,45 мм.

Размер (s1) - 32,6 мм.

Размер (A) - 54 мм.

Размер (A1) - 34 мм.

Размер (B) - 51,6 мм.

Размер (G) - 16 мм.

Размер (H) - 114 мм.

Размер (H1) - 57,2 мм.

Размер (H2) - 22 мм.

Размер (J) - 157 мм.

Размер (L) - 203

Размер (N) - 26 мм.

Размер (N1) - 18 мм.

Масса - 3,05 Кг

Грузоподъемность динамическая (C) - 35,1 кН

Грузоподъемность статическая (C0) - 23,2 кН

Граничная нагрузка по усталости (Pu) - 0,98

Частота вращения предельная - 4 000 об/мин

Количество дорожек качения - 1

Уплотнение - Есть

Цены указаны ознакомительные, для уточнения цены и наличия просим связаться с нами по телефону, или отправить заявку на почту - sales@specprompodshipnik.ru или по тел.: +7(499) 369-70-54

Возврат к списку