Подшипник SYJ 70 TF (SKF)

Подшипник SYJ 70 TF (SKF)

Технические характеристики

Обозначение : SYJ 70 TF

Производитель : SKF

Диаметр внутренний, мм : 70

Технические данные из каталога производителя :

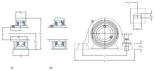
Внутренний диаметр (d) - 70 мм.

Размер (s1) - 39,7 мм.

Размер (A) - 72 мм.

Размер (A1) - 46 мм.

Размер (B) - 69,9 мм.

Размер (G) - 20 мм.

Размер (H) - 156 мм.

Размер (H1) - 79,4 мм.

Размер (H2) - 27 мм.

Размер (J) - 210 мм.

Размер (L) - 266

Размер (N) - 30 мм.

Размер (N1) - 25 мм.

Масса - 6,2 Кг

Грузоподъемность динамическая (C) - 62,4 кН

Грузоподъемность статическая (C0) - 45 кН

Граничная нагрузка по усталости (Pu) - 1,86

Частота вращения предельная - 2 800 об/мин

Количество дорожек качения - 1

Уплотнение - Есть

Цены указаны ознакомительные, для уточнения цены и наличия просим связаться с нами по телефону, или отправить заявку на почту - sales@specprompodshipnik.ru или по тел.: +7(499) 369-70-54

Возврат к списку