Подшипник SYJ 65 KF+SYJ 513 (SKF)

Подшипник SYJ 65 KF+SYJ 513 (SKF)

Технические характеристики

Обозначение : SYJ 65 KF+SYJ 513

Производитель : SKF

Диаметр внутренний, мм : 60

Технические данные из каталога производителя :

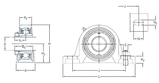
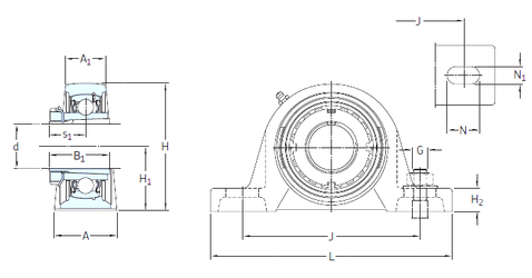
Внутренний диаметр (d) - 60 мм.

Размер (s1) - 35,8 мм.

Размер (A) - 70 мм.

Размер (A1) - 49 мм.

Размер (B1) - 65 мм.

Размер (G) - 20 мм.

Размер (H) - 151 мм.

Размер (H1) - 76,2 мм.

Размер (H2) - 27 мм.

Размер (J) - 203 мм.

Размер (L) - 265

Размер (N) - 35 мм.

Размер (N1) - 25 мм.

Масса - 6,35 Кг

Грузоподъемность динамическая (C) - 57,2 кН

Грузоподъемность статическая (C0) - 40 кН

Граничная нагрузка по усталости (Pu) - 1,7

Частота вращения предельная - 3 000 об/мин

Количество дорожек качения - 1

Уплотнение - Есть

Цены указаны ознакомительные, для уточнения цены и наличия просим связаться с нами по телефону, или отправить заявку на почту - sales@specprompodshipnik.ru или по тел.: +7(499) 369-70-54

Возврат к списку