Подшипник SYJ 60 KF+H 2312 (SKF)

Подшипник SYJ 60 KF+H 2312 (SKF)

Технические характеристики

Обозначение : SYJ 60 KF+H 2312

Производитель : SKF

Диаметр внутренний, мм : 55

Технические данные из каталога производителя :

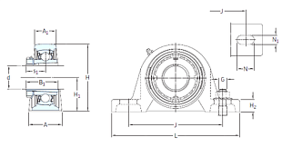
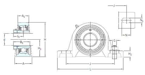
Внутренний диаметр (d) - 55 мм.

Размер (s1) - 34,3 мм.

Размер (A) - 65 мм.

Размер (A1) - 47 мм.

Размер (B1) - 62 мм.

Размер (G) - 16 мм.

Размер (H) - 138 мм.

Размер (H1) - 69,8 мм.

Размер (H2) - 26,5 мм.

Размер (J) - 188,5 мм.

Размер (L) - 241

Размер (N) - 29,5 мм.

Размер (N1) - 20 мм.

Масса - 5 Кг

Грузоподъемность динамическая (C) - 52,7 кН

Грузоподъемность статическая (C0) - 36 кН

Граничная нагрузка по усталости (Pu) - 1,53

Частота вращения предельная - 3 400 об/мин

Количество дорожек качения - 1

Уплотнение - Есть

Цены указаны ознакомительные, для уточнения цены и наличия просим связаться с нами по телефону, или отправить заявку на почту - sales@specprompodshipnik.ru или по тел.: +7(499) 369-70-54

Возврат к списку