Подшипник SYJ 45 KF+H 2309 (SKF)

Подшипник SYJ 45 KF+H 2309 (SKF)

Технические характеристики

Обозначение : SYJ 45 KF+H 2309

Производитель : SKF

Диаметр внутренний, мм : 40

Технические данные из каталога производителя :

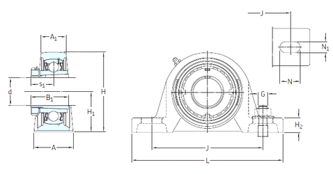
Внутренний диаметр (d) - 40 мм.

Размер (s1) - 28,5 мм.

Размер (A) - 52 мм.

Размер (A1) - 36 мм.

Размер (B1) - 50 мм.

Размер (G) - 14 мм.

Размер (H) - 107,5 мм.

Размер (H1) - 54 мм.

Размер (H2) - 20 мм.

Размер (J) - 143,5 мм.

Размер (L) - 190

Размер (N) - 23,5 мм.

Размер (N1) - 17 мм.

Масса - 2,1 Кг

Грузоподъемность динамическая (C) - 33,2 кН

Грузоподъемность статическая (C0) - 21,6 кН

Граничная нагрузка по усталости (Pu) - 0,915

Частота вращения предельная - 4 300 об/мин

Количество дорожек качения - 1

Уплотнение - Есть

Цены указаны ознакомительные, для уточнения цены и наличия просим связаться с нами по телефону, или отправить заявку на почту - sales@specprompodshipnik.ru или по тел.: +7(499) 369-70-54

Возврат к списку