Подшипник SYJ 40 KF+H 2308 (SKF)

Подшипник SYJ 40 KF+H 2308 (SKF)

Технические характеристики

Обозначение : SYJ 40 KF+H 2308

Производитель : SKF

Диаметр внутренний, мм : 35

Технические данные из каталога производителя :

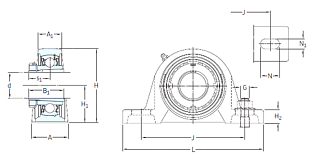
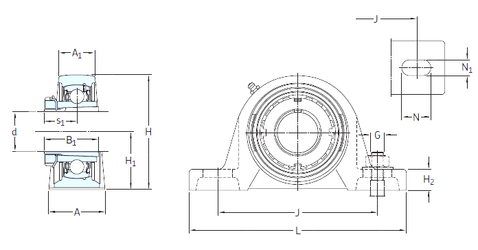
Внутренний диаметр (d) - 35 мм.

Размер (s1) - 27 мм.

Размер (A) - 49 мм.

Размер (A1) - 31 мм.

Размер (B1) - 46 мм.

Размер (G) - 14 мм.

Размер (H) - 99 мм.

Размер (H1) - 49,2 мм.

Размер (H2) - 18 мм.

Размер (J) - 136,5 мм.

Размер (L) - 184

Размер (N) - 25,5 мм.

Размер (N1) - 17 мм.

Масса - 1,8 Кг

Грузоподъемность динамическая (C) - 30,7 кН

Грузоподъемность статическая (C0) - 19 кН

Граничная нагрузка по усталости (Pu) - 0,8

Частота вращения предельная - 4 800 об/мин

Количество дорожек качения - 1

Уплотнение - Есть

Цены указаны ознакомительные, для уточнения цены и наличия просим связаться с нами по телефону, или отправить заявку на почту - sales@specprompodshipnik.ru или по тел.: +7(499) 369-70-54

Возврат к списку