Подшипник SYJ 35 KF+H 2307 (SKF)

Подшипник SYJ 35 KF+H 2307 (SKF)

Технические характеристики

Обозначение : SYJ 35 KF+H 2307

Производитель : SKF

Диаметр внутренний, мм : 30

Технические данные из каталога производителя :

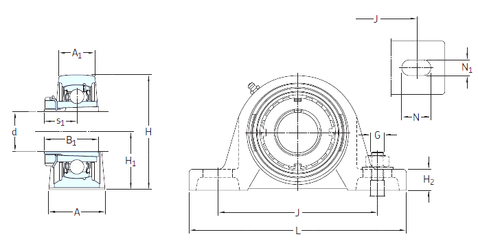
Внутренний диаметр (d) - 30 мм.

Размер (s1) - 24,3 мм.

Размер (A) - 46 мм.

Размер (A1) - 28 мм.

Размер (B1) - 43 мм.

Размер (G) - 14 мм.

Размер (H) - 93 мм.

Размер (H1) - 47,6 мм.

Размер (H2) - 17 мм.

Размер (J) - 129 мм.

Размер (L) - 167

Размер (N) - 24 мм.

Размер (N1) - 17 мм.

Масса - 1,25 Кг

Грузоподъемность динамическая (C) - 25,5 кН

Грузоподъемность статическая (C0) - 15,3 кН

Граничная нагрузка по усталости (Pu) - 0,655

Частота вращения предельная - 5 300 об/мин

Количество дорожек качения - 1

Уплотнение - Есть

Цены указаны ознакомительные, для уточнения цены и наличия просим связаться с нами по телефону, или отправить заявку на почту - sales@specprompodshipnik.ru или по тел.: +7(499) 369-70-54

Возврат к списку