Подшипник SYJ 30 KF+HE 2306 (SKF)

Подшипник SYJ 30 KF+HE 2306 (SKF)

Технические характеристики

Обозначение : SYJ 30 KF+HE 2306

Производитель : SKF

Диаметр внутренний, мм : 25,4

Технические данные из каталога производителя :

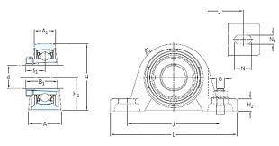
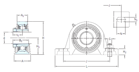
Внутренний диаметр (d) - 25,4 мм.

Размер (s1) - 22 мм.

Размер (A) - 42 мм.

Размер (A1) - 27 мм.

Размер (B1) - 38 мм.

Размер (G) - 14 мм.

Размер (H) - 82,5 мм.

Размер (H1) - 42,9 мм.

Размер (H2) - 16 мм.

Размер (J) - 118 мм.

Размер (L) - 165

Размер (N) - 24 мм.

Размер (N1) - 17 мм.

Масса - 0,9 Кг

Грузоподъемность динамическая (C) - 19,5 кН

Грузоподъемность статическая (C0) - 11,2 кН

Граничная нагрузка по усталости (Pu) - 0,475

Частота вращения предельная - 6 300 об/мин

Количество дорожек качения - 1

Уплотнение - Есть

Цены указаны ознакомительные, для уточнения цены и наличия просим связаться с нами по телефону, или отправить заявку на почту - sales@specprompodshipnik.ru или по тел.: +7(499) 369-70-54

Возврат к списку