Подшипник SYJ 20 TF (SKF)

Подшипник SYJ 20 TF (SKF)

Технические характеристики

Обозначение : SYJ 20 TF

Производитель : SKF

Диаметр внутренний, мм : 20

Технические данные из каталога производителя :

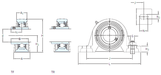
Внутренний диаметр (d) - 20 мм.

Размер (s1) - 18,3 мм.

Размер (A) - 34 мм.

Размер (A1) - 23 мм.

Размер (B) - 31 мм.

Размер (G) - 10 мм.

Размер (H) - 65 мм.

Размер (H1) - 33,3 мм.

Размер (H2) - 14 мм.

Размер (J) - 97 мм.

Размер (L) - 127

Размер (N) - 20,7 мм.

Размер (N1) - 13 мм.

Масса - 0,55 Кг

Грузоподъемность динамическая (C) - 12,7 кН

Грузоподъемность статическая (C0) - 6,55 кН

Граничная нагрузка по усталости (Pu) - 0,28

Частота вращения предельная - 8 500 об/мин

Количество дорожек качения - 1

Уплотнение - Есть

Цены указаны ознакомительные, для уточнения цены и наличия просим связаться с нами по телефону, или отправить заявку на почту - sales@specprompodshipnik.ru или по тел.: +7(499) 369-70-54

Возврат к списку