Подшипник SYJ 1. TF (SKF)

Подшипник SYJ 1. TF (SKF)

Технические характеристики

Обозначение : SYJ 1. TF

Производитель : SKF

Диаметр внутренний, мм : 25,4

Технические данные из каталога производителя :

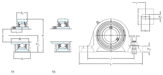
Внутренний диаметр (d) - 25,4 мм.

Размер (s1) - 19,8 мм.

Размер (A) - 38 мм.

Размер (A1) - 24 мм.

Размер (B) - 34,1 мм.

Размер (G) - 12 мм.

Размер (H) - 70,5 мм.

Размер (H1) - 36,5 мм.

Размер (H2) - 16 мм.

Размер (J) - 102 мм.

Размер (L) - 140

Размер (N) - 21,5 мм.

Размер (N1) - 13 мм.

Масса - 0,73 Кг

Грузоподъемность динамическая (C) - 14 кН

Грузоподъемность статическая (C0) - 7,8 кН

Граничная нагрузка по усталости (Pu) - 0,335

Частота вращения предельная - 7 000 об/мин

Количество дорожек качения - 1

Уплотнение - Есть

Цены указаны ознакомительные, для уточнения цены и наличия просим связаться с нами по телефону, или отправить заявку на почту - sales@specprompodshipnik.ru или по тел.: +7(499) 369-70-54

Возврат к списку