Подшипник SYH 1. WF (SKF)

Подшипник SYH 1. WF (SKF)

Технические характеристики

Обозначение : SYH 1. WF

Производитель : SKF

Диаметр внутренний, мм : 25,4

Технические данные из каталога производителя :

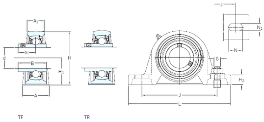
Внутренний диаметр (d) - 25,4 мм.

Размер (s1) - 26,9 мм.

Размер (A) - 36 мм.

Размер (A1) - 22 мм.

Размер (B1) - 44,4 мм.

Размер (H) - 67 мм.

Размер (H1) - 33,4 мм.

Размер (H2) - 12,9 мм.

Размер (J) - 102 мм.

Размер (L) - 130

Размер (N) - 19,5 мм.

Размер (N1) - 11,5 мм.

Резьба (G) - 10

Масса - 0,79 Кг

Грузоподъемность динамическая (C) - 14 кН

Грузоподъемность статическая (C0) - 7,8 кН

Граничная нагрузка по усталости (Pu) - 0,335

Частота вращения предельная - 7 000 об/мин

Количество дорожек качения - 1

Уплотнение - Есть

Цены указаны ознакомительные, для уточнения цены и наличия просим связаться с нами по телефону, или отправить заявку на почту - sales@specprompodshipnik.ru или по тел.: +7(499) 369-70-54

Возврат к списку