Подшипник SYH 1.1/8 WF (SKF)

Подшипник SYH 1.1/8 WF (SKF)

Технические характеристики

Обозначение : SYH 1.1/8 WF

Производитель : SKF

Диаметр внутренний, мм : 28,575

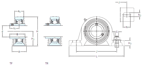
Технические данные из каталога производителя :

Внутренний диаметр (d) - 28,575 мм.

Размер (s1) - 30,1 мм.

Размер (A) - 40 мм.

Размер (A1) - 25 мм.

Размер (B1) - 48,4 мм.

Размер (H) - 80 мм.

Размер (H1) - 39,7 мм.

Размер (H2) - 14,8 мм.

Размер (J) - 117,5 мм.

Размер (L) - 152

Размер (N) - 23,5 мм.

Размер (N1) - 14 мм.

Резьба (G) - 12

Масса - 1,45 Кг

Грузоподъемность динамическая (C) - 19,5 кН

Грузоподъемность статическая (C0) - 11,2 кН

Граничная нагрузка по усталости (Pu) - 0,475

Частота вращения предельная - 6 300 об/мин

Количество дорожек качения - 1

Уплотнение - Есть

Цены указаны ознакомительные, для уточнения цены и наличия просим связаться с нами по телефону, или отправить заявку на почту - sales@specprompodshipnik.ru или по тел.: +7(499) 369-70-54

Возврат к списку