Подшипник SY 55 TF (SKF)

Подшипник SY 55 TF (SKF)

Технические характеристики

Обозначение : SY 55 TF

Производитель : SKF

Диаметр внутренний, мм : 55

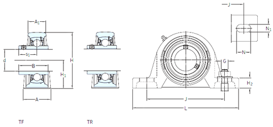
Технические данные из каталога производителя :

Внутренний диаметр (d) - 55 мм.

Размер (s1) - 33,4 мм.

Размер (A) - 60 мм.

Размер (A1) - 40 мм.

Размер (B) - 55,6 мм.

Размер (G) - 16 мм.

Размер (H) - 126 мм.

Размер (H1) - 63,5 мм.

Размер (H2) - 24 мм.

Размер (J) - 171,5 мм.

Размер (L) - 219

Размер (N) - 27,5 мм.

Размер (N1) - 18 мм.

Масса - 3,6 Кг

Грузоподъемность динамическая (C) - 43,6 кН

Грузоподъемность статическая (C0) - 29 кН

Граничная нагрузка по усталости (Pu) - 1,25

Частота вращения предельная - 3 600 об/мин

Количество дорожек качения - 1

Уплотнение - Есть

Цены указаны ознакомительные, для уточнения цены и наличия просим связаться с нами по телефону, или отправить заявку на почту - sales@specprompodshipnik.ru или по тел.: +7(499) 369-70-54

Возврат к списку