Подшипник SY 30 WF (SKF)

Подшипник SY 30 WF (SKF)

Технические характеристики

Обозначение : SY 30 WF

Производитель : SKF

Диаметр внутренний, мм : 30

Технические данные из каталога производителя :

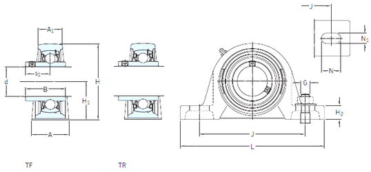
Внутренний диаметр (d) - 30 мм.

Размер (s1) - 30,1 мм.

Размер (A) - 40 мм.

Размер (A1) - 25 мм.

Размер (B1) - 48,4 мм.

Размер (G) - 12 мм.

Размер (H) - 82,5 мм.

Размер (H1) - 42,9 мм.

Размер (H2) - 17 мм.

Размер (J) - 117,5 мм.

Размер (L) - 152

Размер (N) - 23,5 мм.

Размер (N1) - 14 мм.

Масса - 1,2 Кг

Грузоподъемность динамическая (C) - 19,5 кН

Грузоподъемность статическая (C0) - 11,2 кН

Граничная нагрузка по усталости (Pu) - 0,475

Частота вращения предельная - 6 300 об/мин

Количество дорожек качения - 1

Уплотнение - Есть

Цены указаны ознакомительные, для уточнения цены и наличия просим связаться с нами по телефону, или отправить заявку на почту - sales@specprompodshipnik.ru или по тел.: +7(499) 369-70-54

Возврат к списку