Подшипник SY 2.7/16 TF (SKF)

Подшипник SY 2.7/16 TF (SKF)

Технические характеристики

Обозначение : SY 2.7/16 TF

Производитель : SKF

Диаметр внутренний, мм : 61,913

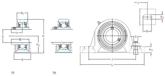
Технические данные из каталога производителя :

Внутренний диаметр (d) - 61,913 мм.

Размер (s1) - 39,7 мм.

Размер (A) - 60 мм.

Размер (A1) - 42 мм.

Размер (B) - 65,1 мм.

Размер (G) - 16 мм.

Размер (H) - 139,5 мм.

Размер (H1) - 69,9 мм.

Размер (H2) - 26 мм.

Размер (J) - 190,5 мм.

Размер (L) - 240

Размер (N) - 29,5 мм.

Размер (N1) - 18 мм.

Масса - 4,55 Кг

Грузоподъемность динамическая (C) - 52,7 кН

Грузоподъемность статическая (C0) - 36 кН

Граничная нагрузка по усталости (Pu) - 1,53

Частота вращения предельная - 3 400 об/мин

Количество дорожек качения - 1

Уплотнение - Есть

Цены указаны ознакомительные, для уточнения цены и наличия просим связаться с нами по телефону, или отправить заявку на почту - sales@specprompodshipnik.ru или по тел.: +7(499) 369-70-54

Возврат к списку