Подшипник SY 2.15/16 PF/AH (SKF)

Подшипник SY 2.15/16 PF/AH (SKF)

Технические характеристики

Обозначение : SY 2.15/16 PF/AH

Производитель : SKF

Диаметр внутренний, мм : 74,6125

Высота, мм : 63,5

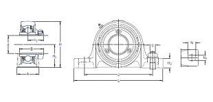
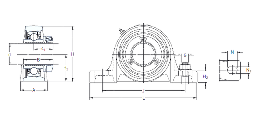
Технические данные из каталога производителя :

Внутренний диаметр (d) - 74,6125 мм.

Размер (s1) - 39,8 мм.

Размер (A) - 71,6 мм.

Размер (B) - 63,5 мм.

Размер (G) - 20 мм.

Размер (H) - 166,1 мм.

Размер (H1) - 82,5 мм.

Размер (H2) - 32,8 мм.

Размер (J) - 216 мм.

Размер (L) - 279

Размер (N) - 35 мм.

Размер (N1) - 22,2 мм.

Масса - 7,25 Кг

Грузоподъемность динамическая (C) - 66,3 кН

Грузоподъемность статическая (C0) - 49 кН

Частота вращения предельная - 2 600 об/мин

Количество дорожек качения - 1

Уплотнение - Есть

Цены указаны ознакомительные, для уточнения цены и наличия просим связаться с нами по телефону, или отправить заявку на почту - sales@specprompodshipnik.ru или по тел.: +7(499) 369-70-54

Возврат к списку