Подшипник SY 2.11/16 PF/AH (SKF)

Подшипник SY 2.11/16 PF/AH (SKF)

Технические характеристики

Обозначение : SY 2.11/16 PF/AH

Производитель : SKF

Диаметр внутренний, мм : 68,2625

Высота, мм : 60,3

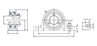
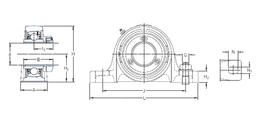
Технические данные из каталога производителя :

Внутренний диаметр (d) - 68,2625 мм.

Размер (s1) - 38,6 мм.

Размер (A) - 65 мм.

Размер (B) - 60,3 мм.

Размер (G) - 20 мм.

Размер (H) - 149,2 мм.

Размер (H1) - 76,2 мм.

Размер (H2) - 29 мм.

Размер (J) - 203 мм.

Размер (L) - 257

Размер (N) - 35 мм.

Размер (N1) - 22 мм.

Масса - 6,1 Кг

Грузоподъемность динамическая (C) - 62,4 кН

Грузоподъемность статическая (C0) - 44 кН

Частота вращения предельная - 3 000 об/мин

Количество дорожек качения - 1

Уплотнение - Есть

Цены указаны ознакомительные, для уточнения цены и наличия просим связаться с нами по телефону, или отправить заявку на почту - sales@specprompodshipnik.ru или по тел.: +7(499) 369-70-54

Возврат к списку