Подшипник SY 1.5/8 TF (SKF)

Подшипник SY 1.5/8 TF (SKF)

Технические характеристики

Обозначение : SY 1.5/8 TF

Производитель : SKF

Диаметр внутренний, мм : 41,275

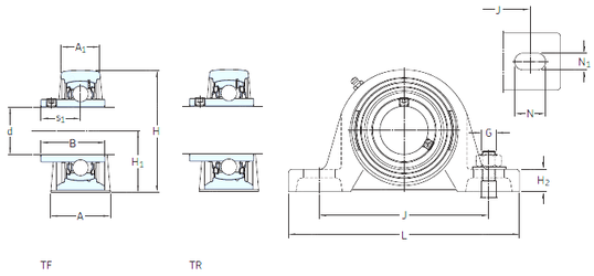
Технические данные из каталога производителя :

Внутренний диаметр (d) - 41,275 мм.

Размер (s1) - 30,2 мм.

Размер (A) - 48,3 мм.

Размер (A1) - 32 мм.

Размер (B) - 49,2 мм.

Размер (G) - 12 мм.

Размер (H) - 107 мм.

Размер (H1) - 54 мм.

Размер (H2) - 20,6 мм.

Размер (J) - 143,7 мм.

Размер (L) - 187

Размер (N) - 22,7 мм.

Размер (N1) - 14 мм.

Масса - 2,45 Кг

Грузоподъемность динамическая (C) - 33,2 кН

Грузоподъемность статическая (C0) - 21,6 кН

Граничная нагрузка по усталости (Pu) - 0,915

Частота вращения предельная - 4 300 об/мин

Количество дорожек качения - 1

Уплотнение - Есть

Цены указаны ознакомительные, для уточнения цены и наличия просим связаться с нами по телефону, или отправить заявку на почту - sales@specprompodshipnik.ru или по тел.: +7(499) 369-70-54

Возврат к списку