Подшипник SY 1.3/16 PF/AH (SKF)

Подшипник SY 1.3/16 PF/AH (SKF)

Технические характеристики

Обозначение : SY 1.3/16 PF/AH

Производитель : SKF

Диаметр внутренний, мм : 30,1625

Высота, мм : 44,5

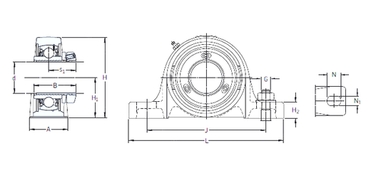
Технические данные из каталога производителя :

Внутренний диаметр (d) - 30,1625 мм.

Размер (s1) - 30,5 мм.

Размер (A) - 40 мм.

Размер (B) - 44,5 мм.

Размер (G) - 12 мм.

Размер (H) - 82 мм.

Размер (H1) - 42.9 мм.

Размер (H2) - 16,5 мм.

Размер (J) - 117.5 мм.

Размер (L) - 152

Размер (N) - 23,5 мм.

Размер (N1) - 14 мм.

Масса - 1,3 Кг

Грузоподъемность динамическая (C) - 19,5 кН

Грузоподъемность статическая (C0) - 11,2 кН

Частота вращения предельная - 6 300 об/мин

Количество дорожек качения - 1

Уплотнение - Есть

Цены указаны ознакомительные, для уточнения цены и наличия просим связаться с нами по телефону, или отправить заявку на почту - sales@specprompodshipnik.ru или по тел.: +7(499) 369-70-54

Возврат к списку