Подшипник SY 1/2 TF (SKF)

Подшипник SY 1/2 TF (SKF)

Технические характеристики

Обозначение : SY 1/2 TF

Производитель : SKF

Диаметр внутренний, мм : 12,7

Технические данные из каталога производителя :

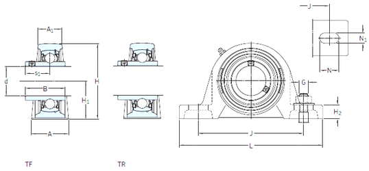
Внутренний диаметр (d) - 12,7 мм.

Размер (s1) - 15,9 мм.

Размер (A) - 32 мм.

Размер (A1) - 18 мм.

Размер (B) - 27,4 мм.

Размер (G) - 10 мм.

Размер (H) - 56 мм.

Размер (H1) - 30,2 мм.

Размер (H2) - 14 мм.

Размер (J) - 97 мм.

Размер (L) - 127

Размер (N) - 20,5 мм.

Размер (N1) - 11,5 мм.

Масса - 0,55 Кг

Грузоподъемность динамическая (C) - 9,56 кН

Грузоподъемность статическая (C0) - 4,75 кН

Граничная нагрузка по усталости (Pu) - 0,2

Частота вращения предельная - 9 500 об/мин

Количество дорожек качения - 1

Уплотнение - Есть

Цены указаны ознакомительные, для уточнения цены и наличия просим связаться с нами по телефону, или отправить заявку на почту - sales@specprompodshipnik.ru или по тел.: +7(499) 369-70-54

Возврат к списку